产品展示
SMC防爆限位开关
YVGC-500W
松岛限位开关MGL-5100WSN
PAARKER卡套预装机
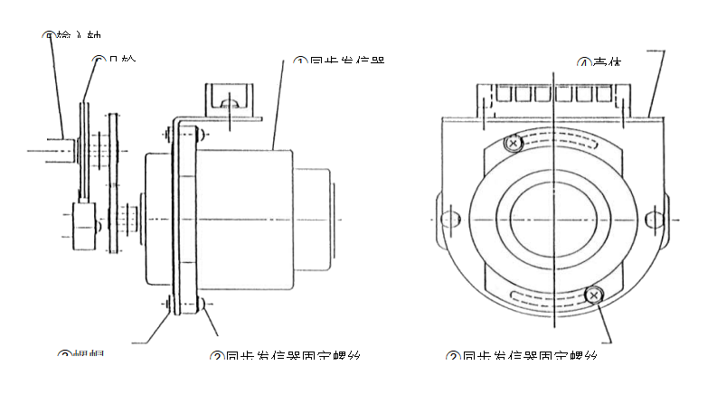
柱塞泵维修
英国DH(Domnick Hunter)
叶片马达-定量
叶片泵-双联-定量
叶片泵-三联-定量
叶片泵-单联-定量
派克汽轮机顶轴液压系统组件…
沪公网安备 31011502014287号